Bài tập Vẽ Kỹ thuật
Rất nhiều bạn Inbox nên tôi chia sẽ các bạn, hy vọng sẽ giúp ích đến các bạn. Có thể liên hệ tôi qua các kênh sau: Zalo : 0978.449.221, Page FB: Revit Đà Nẵng, Page FB: Autocad Đà Nẵng, Page FB: Cty BIM House, Group FB: BIM House- BIM Edu
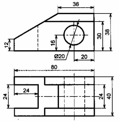
I. Dạng 1: Vẽ ba hình chiếu của vật thể
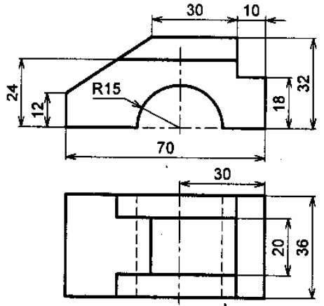
Cho vật thể như hình vẽ, hãy vẽ ba hình chiếu của vật thể.
Cho vật thể như hình vẽ, hãy vẽ ba hình chiếu của vật thể.
a).
b).
c).
d).
e).
f).
g).
h).
i).
j).
k).
l).
II. Dạng 2: Tìm hình chiếu thứ 3
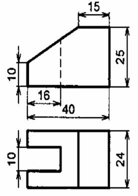
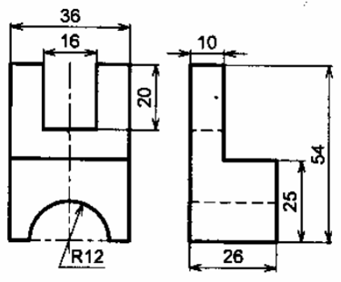
Cho vật thể có hai hình chiếu như hình vẽ, hãy tìm hình chiếu thứ ba của vật thể.
a).
b).
c).
d).
e).
f).
g).
h).
i).
j).
l).
k).
m).
n).
o).
p).
q).
r).
t).
III. Dạng 3: Vẽ hình cắt của vật thể
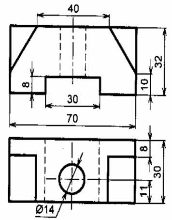
Cho vật thể được biểu diễn bằng hai hình chiếu như hình vẽ, hãy vẽ mặt cắt đứng của vật thể.
a).
b).
c).
d).
e).
f).
g).
h).
i).
j).

































